BỘ DỤNG CỤ THÍ NGHIỆM VAXILIEP (VAXILIEPS)
THÔNG SỐ KĨ THUẬT
BỘ DỤNG CỤ THÍ NGHIỆM VAXILIEP (VAXILIEPS)
Xuất xứ: Trung Quốc
Model: ZY-1
Xuất xứ: Trung Quốc
Model: ZY-1
Bộ Vaxilieps tiêu chuẩn bao gồm:
- Chùy hình nón (cone)
- Giá đỡ và cơ cấu thả
- Cốc đựng mẫu đất
- Dao trộn, dụng cụ tạo mẫu
- Hộp đựng
Giá bán :
Liên hệ
BỘ DỤNG CỤ THÍ NGHIỆM VAXILIEP (VAXILIEPS) là thiết bị xác định giới hạn chảy (WL) và giới hạn dẻo (WP) của đất xây dựng trong phòng thí nghiệm xây dựng, theo tiêu chuẩn TCVN 4791:2012.
Bộ thí nghiệm Vaxilieps hiện đang được NATRACO cung cấp với chất lượng cao, độ chính xác ổn định, phù hợp cho các phòng LAS-XD, trung tâm kiểm định, trường đại học và đơn vị khảo sát địa chất.

Công dụng của bộ Vaxilieps
- Xác định giới hạn dẻo (WP) của đất
- Xác định giới hạn chảy (WL) của đất
- Phân loại đất theo tính chất cơ lý
- Phục vụ thiết kế: Nền móng công trình, công trình giao thông, xử lý đất yếu
👉 Đặc biệt phù hợp với:
• Đất dính (đất sét, á sét)
• Đất có kích thước hạt < 1mm và có tính dẻo
❌ Không áp dụng cho: đất hữu cơ (than bùn, đất than bùn hóa)
2. Nguyên lý hoạt động
🔹 Xác định giới hạn dẻo (WP)
• Đất được trộn đều với nước
• Lăn thành que đường kính 3mm
• Khi que đất bắt đầu nứt và đứt đoạn (3–10mm)
👉 Độ ẩm lúc này chính là giới hạn dẻo (WP)
🔹 Xác định giới hạn chảy (WL)
• Sử dụng chùy hình nón tiêu chuẩn
• Thả lên mẫu đất trong thời gian 10 giây
• Đo độ lún của chùy
👉 Nếu độ lún > 10mm → xác định giới hạn chảy (WL)

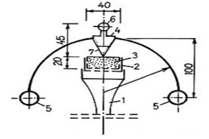
Sơ đồ cấu tạo thiết bị thí nghiệm giới hạn chảy và giới hạn dẻo của đất
Ưu điểm nổi bật
✅ Độ chính xác cao, kết quả ổn định
✅ Thiết kế chắc chắn, dễ sử dụng
✅ Phù hợp tiêu chuẩn TCVN 4791:2012
✅ Thay thế tối ưu cho phương pháp truyền thống
✅ Độ bền cao, sử dụng lâu dài
👉 So với phương pháp Casagrande method, Vaxilieps cho kết quả ít phụ thuộc thao tác người dùng hơn

Bộ dụng cụ thí nghiệm Vaxiliep (Vaxilieps) là giải pháp tối ưu giúp xác định chính xác giới hạn chảy (WL) và giới hạn dẻo (WP) của đất theo tiêu chuẩn TCVN 4791:2012. Với độ tin cậy cao, thao tác đơn giản và khả năng cho kết quả ổn định, thiết bị đóng vai trò quan trọng trong công tác phân loại đất, kiểm soát chất lượng và thiết kế nền móng công trình.
Lựa chọn sản phẩm tại NATRACO không chỉ đảm bảo về chất lượng thiết bị mà còn mang lại sự an tâm về dịch vụ, tư vấn kỹ thuật và hậu mãi lâu dài. Chúng tôi cam kết đồng hành cùng quý khách hàng trong mọi nhu cầu thí nghiệm và kiểm định xây dựng.
Liên hệ ngay để được tư vấn kỹ thuật, báo giá và trải nghiệm thiết bị thực tế:
CÔNG TY TNHH THIẾT BỊ NATRACO
Địa chỉ: 388/72/3 Lê Thị Riêng, Phường Thới An, Quận 12, Tp. Hồ Chí Minh.
Hotline: 0917738499 - 0902670829
Zalo hỗ trợ kỹ thuật: 0917738499
Liên hệ ngay để được tư vấn kỹ thuật, báo giá và trải nghiệm thiết bị thực tế:
CÔNG TY TNHH THIẾT BỊ NATRACO
Địa chỉ: 388/72/3 Lê Thị Riêng, Phường Thới An, Quận 12, Tp. Hồ Chí Minh.
Hotline: 0917738499 - 0902670829
Zalo hỗ trợ kỹ thuật: 0917738499
Đang online : 6
Truy cập hôm qua : 1269
Tổng truy cập : 1804362


